 |
www.elektronik.si Forum o elektrotehniki in računalništvu
|
| Poglej prejšnjo temo :: Poglej naslednjo temo |
| Avtor |
Sporočilo |
. Član

Pridružen-a: Pon 23 Avg 2004 16:16 Prispevkov: 16777190 Aktiv.: 67896.29
|
Objavljeno: Sre Nov 08, 2006 2:36 pm Naslov sporočila: Tipke na ADC vhod |
|
|
Brisana vsebina odstranjenega uporabnika.
| Opis: |
|
| Velikost datoteke: |
41.35 KB |
| Pogledana: |
15 krat |

|
|
|
| Nazaj na vrh |
|
 |
jur Član


Pridružen-a: Pet 02 Dec 2005 14:45 Prispevkov: 5142 Aktiv.: 20.81 Kraj: [color=zelena]Ljubljana[/color]
|
Objavljeno: Sre Nov 08, 2006 2:43 pm Naslov sporočila: |
|
|
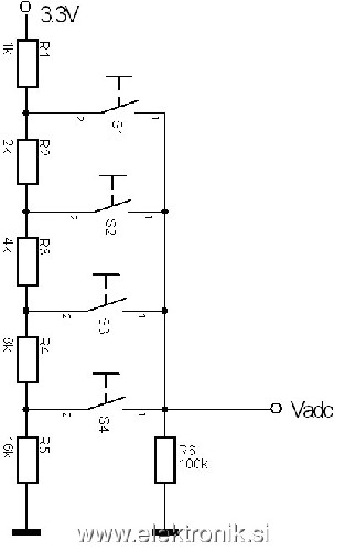
Tu je precej standardna vezava. Preizkušena in delujoča v velikem številu naprav.
Dobra lastnost je v tem, da je med tastaturo (tipke in upori) in napravo z mikrokontrolerjem potrebno malo žic (dve, oziroma v tvojem primeru tri).
Jur
|
|
| Nazaj na vrh |
|
 |
Proteus Član



Pridružen-a: Sre 15 Jun 2005 10:03 Prispevkov: 2018 Aktiv.: 8.17
|
Objavljeno: Sre Nov 08, 2006 2:50 pm Naslov sporočila: |
|
|
V praksi v energetiki občasno uporabljamo take rešitve pri položajni signalizaciji pomembnejših naprav oziroma dajalcev, ki v primeru delovanja za seboj povlečejo drastične ukrepe.
Tam na PLC-jih uporabimo 4-20mA vhode. Na ta vhod s kombinacijo uporov priključimo položajna stikala, ki signalizirajo vklopa oziroma izklopa naprave z ločenima kontaktoma.
Prednost take rešitve je, da imaš poleg signalizacije samega stanja naprave tudi signalizacijo pretrganega kabla in kabla v kratkem stiku.
|
|
| Nazaj na vrh |
|
 |
Sokrat Član


Pridružen-a: Čet 25 Avg 2005 11:00 Prispevkov: 5584 Aktiv.: 22.60
|
Objavljeno: Sre Nov 08, 2006 2:55 pm Naslov sporočila: |
|
|
Kako naj bi pa tole sploh delovalo, ko sta pritisnjeni dve tipki ?
Ce bi se lotil necesa takega, bi dal preprost R-2R ladder, na vsak vhod pa tipko in naprej povezavo na Vcc. Kot prvo bo manj tezav s usklajevanjem (matching) uporov, kot drugo si pa pri taki vezavi vsaj predstavljam, kako in zakaj deluje pravilno, cesar za zgornjo nikakor ne bi upal trditi ...
_________________ Ka ti bo pa torba ce si kupu kolo ? |
|
| Nazaj na vrh |
|
 |
Silvo Moderator


 
Pridružen-a: Pon 24 Feb 2003 17:09 Prispevkov: 14803 Aktiv.: 59.91
|
Objavljeno: Sre Nov 08, 2006 3:05 pm Naslov sporočila: |
|
|
Kot sta napisala predhodnika, tole je dokaj standardno vezje. Nedolgo nazaj sem popravljal en monitor, ki je imel upravljalne tipke tako narejene. Sicer pa smo o tem na forumu že pisali. Sam sem tole že uporabljal v praksi. ***klil***
_________________ lp
Silvo |
|
| Nazaj na vrh |
|
 |
Proteus Član



Pridružen-a: Sre 15 Jun 2005 10:03 Prispevkov: 2018 Aktiv.: 8.17
|
Objavljeno: Sre Nov 08, 2006 3:09 pm Naslov sporočila: |
|
|
| Sokrat je napisal/a: |
| kako in zakaj deluje pravilno, cesar za zgornjo nikakor ne bi upal trditi ... |
Vsekakor če sta pritisnjeni S1 in S4, potem ni teorije da zaznaš pritisk S2 in S3 itd...
|
|
| Nazaj na vrh |
|
 |
jur Član


Pridružen-a: Pet 02 Dec 2005 14:45 Prispevkov: 5142 Aktiv.: 20.81 Kraj: [color=zelena]Ljubljana[/color]
|
Objavljeno: Sre Nov 08, 2006 3:10 pm Naslov sporočila: |
|
|
Zaradi toleranc uporov je najbolje sestaviti vezje, pritiskati kombinacije tipk in izmeriti dejanske napetosti. Z pravilno izbiro uporov (1,2,4,8,16... R) se da dobro uganiti vse možne kombinacije tipk, tako da se napetosti ne prekrijejo.
Jur
|
|
| Nazaj na vrh |
|
 |
Proteus Član



Pridružen-a: Sre 15 Jun 2005 10:03 Prispevkov: 2018 Aktiv.: 8.17
|
Objavljeno: Sre Nov 08, 2006 3:13 pm Naslov sporočila: |
|
|
| jur je napisal/a: |
| Z pravilno izbiro uporov (1,2,4,8,16... R) se da dobro uganiti vse možne kombinacije tipk, tako da se napetosti ne prekrijejo. |
Toda ne z zgoraj prikazano vezavo.
|
|
| Nazaj na vrh |
|
 |
. Član

Pridružen-a: Pon 23 Avg 2004 16:16 Prispevkov: 16777190 Aktiv.: 67896.29
|
Objavljeno: Sre Nov 08, 2006 3:16 pm Naslov sporočila: |
|
|
| Brisana vsebina odstranjenega uporabnika.
|
|
| Nazaj na vrh |
|
 |
Proteus Član



Pridružen-a: Sre 15 Jun 2005 10:03 Prispevkov: 2018 Aktiv.: 8.17
|
Objavljeno: Sre Nov 08, 2006 3:20 pm Naslov sporočila: |
|
|
| MarE69 je napisal/a: |
Tipkam daš zaporedno še diodo, pa je  |
Potem pa po številu elementov že pristaneš na R-2R, kjer so upori seveda cenejši
|
|
| Nazaj na vrh |
|
 |
DrRogla Član


Pridružen-a: Tor 18 Jan 2005 18:00 Prispevkov: 336 Aktiv.: 1.36 Kraj: Hrastnik, Maribor
|
Objavljeno: Sre Nov 08, 2006 11:02 pm Naslov sporočila: |
|
|
Pa tudi vrednosti uporov lažje izbereš (le dve...)
_________________ LP, Božo |
|
| Nazaj na vrh |
|
 |
snow Član


Pridružen-a: Tor 27 Dec 2005 14:02 Prispevkov: 341 Aktiv.: 1.38 Kraj: Ljubljana || Velenje
|
|
| Nazaj na vrh |
|
 |
Glitch Član

Pridružen-a: Pet 07 Apr 2006 11:40 Prispevkov: 1477 Aktiv.: 6.06
|
Objavljeno: Sre Nov 08, 2006 11:48 pm Naslov sporočila: |
|
|
Vezje je narobe narisano, upori morajo biti vezani za tipko, pa se minus en upor ki je vezan na maso (torej je med ADC in maso samo en upor).
p.s.
ce koga skrbi sumenje, ko so vse tipke odprte, lahko veze se dodaten upor med VCC in ADC (vendar potem vedno tece nek tok skozi uporovni delilnik).
| Opis: |
|
| Velikost datoteke: |
1.09 KB |
| Pogledana: |
6664 krat |

|
Nazadnje urejal/a Glitch Sre Nov 08, 2006 11:59 pm; skupaj popravljeno 1 krat |
|
| Nazaj na vrh |
|
 |
. Član

Pridružen-a: Ned 19 Sep 2004 22:04 Prispevkov: 16777193 Aktiv.: 67896.30
|
Objavljeno: Sre Nov 08, 2006 11:58 pm Naslov sporočila: |
|
|
| Brisana vsebina odstranjenega uporabnika.
|
|
| Nazaj na vrh |
|
 |
trully1 Član

Pridružen-a: Pet 14 Nov 2003 20:20 Prispevkov: 216 Aktiv.: 0.87 Kraj: Železniki
|
Objavljeno: Čet Nov 09, 2006 8:24 am Naslov sporočila: |
|
|
Zdravo
Zelo zanimiva vezava tipk, saj ne porabi veliko pinov.
Zanima pa me kako je z debounce-om pri tej vezavi tipk?
LP
|
|
| Nazaj na vrh |
|
 |
|
|
Ne, ne moreš dodajati novih tem v tem forumu Ne, ne moreš odgovarjati na teme v tem forumu Ne, ne moreš urejati svojih prispevkov v tem forumu Ne, ne moreš brisati svojih prispevkov v tem forumu Ne ne moreš glasovati v anketi v tem forumu Ne, ne moreš pripeti datotek v tem forumu Ne, ne moreš povleči datotek v tem forumu
|
Uptime: 232 dni
Powered by phpBB © 2001, 2005 phpBB Group
|